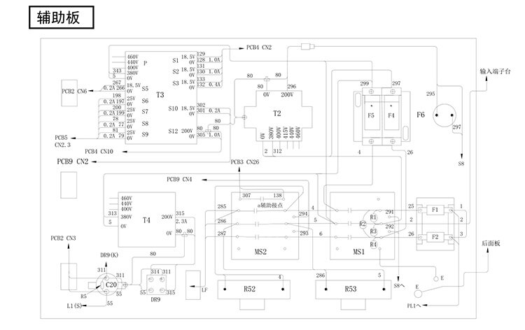
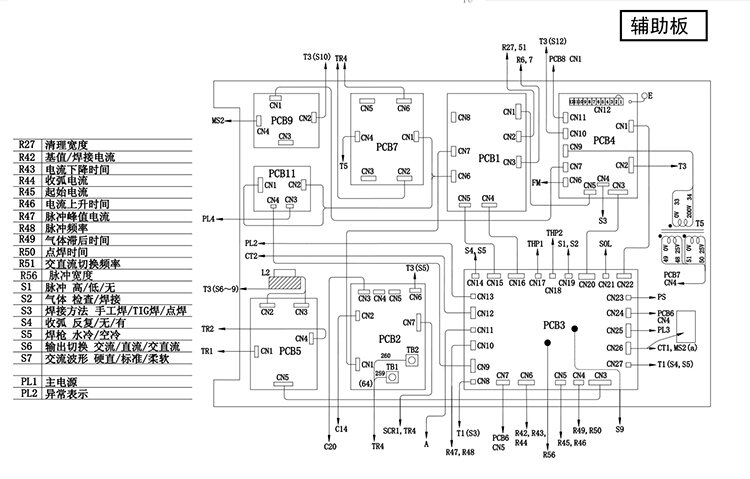
This guide covers the auxiliary plate components of the OTC Daihen AVP360 argon arc welding machine. The annotated images show each part's location. All items listed are genuine OTC Daihen spare parts, with symbols, model numbers, specifications, and quantities for easy identification and ordering.

| Symbol | Part Name | Model / Part Number | Specification | Qty |
|---|---|---|---|---|
| PCB1 | Printed circuit board | P6908C | P6908C00A | 1 |
| PCB2 | Printed circuit board | P6908M | P6908M00 | 1 |
| PCB3 | Printed circuit board | C0206P | C0206P00 | 1 |
| PCB4 | Printed circuit board | P6783Q | P6783Q00 | 1 |
| PCB5 | Printed circuit board | C0121S | C0121S00 | 1 |
| PCB7 | Printed circuit board | P10317W | P10317W00 | 1 |
| PCB9 | Printed circuit board | P6908Y | P6908Y00 | 1 |
| PCB11 | Printed circuit board | P10317V | P10317V00 | 1 |
| T5 | Auxiliary transformer | 4810-374 | W-W02937 | 1 |
| L2 | Ferrite core | 100-0618 | HM2AT4815 | 1 |
| T2 | Auxiliary transformer | 4810-229 | W-W02233A | 1 |
| T3 | Auxiliary transformer | 4810-269 | W-W02242A | 1 |
| T4 | Auxiliary transformer | 4810-270 | W-W02352 | 1 |
| DR9 | Diode module | 4531-602 | S15VB60 | 1 |
| C20 | Aluminum electrolytic capacitor | 4511-330 | LNR2W471MSMAWS | 1 |
| F1,2 | Fuse | 4610-037 | QAS60-50 | 2 |
| F4,5 | Fuse link | 300-0004 | RT28-32/4A | 2 |
| — | Fuse isolator | 300-0003 | RT28N-32X | 1 |
| R52,53 | Cement resistor | 4509-824 | 40SH 10QKA | 2 |
| R54 | Carbon film resistor | 4508-016 | RD1W 200k QJ | 1 |
| R1~4 | Varistor | 100-1528 | TND14U-911KB0LLAA0 | 4 |
| MS1,2 | AC contactor | 4340-127 | GSC1-3210D | 2 |
| LF | Linear filter | T0746B00 | T0746B00 | 1 |
| F6 | Fuse | 4610-068 | 313.0.125A | 1 |
All parts listed above are 100% original OTC Daihen spare parts. Our company is an OTC-designated agent, ensuring you receive authentic components for your welding machine. Whether you need a single replacement or bulk orders, we are here to help.
📞 Contact Us for Orders / Inquiries
📱 Phone / WeChat / WhatsApp:
+86-180-9663-1656
📧 Email:
ahojotc@gmail.com
* For fastest response, please contact via phone or WhatsApp. You're also welcome to connect on WeChat to exchange knowledge and information about OTC welding machines.
Company: COMPANY:Authorized Distributor of OTC Daihen
Contact person: Contact:Mr.Fang
Mobile phone: Phone:+86-18096631656
Email address: Email:15305667776@163.com
Address: Add:Room 11-704, K Xijia, No. 502, Wangjiang West Road, Hefei, Anhui, China