This guide covers the frame components of the OTC Daihen AVP360 argon arc welding machine. The annotated image shows each part's location. All items listed are genuine OTC Daihen spare parts, with symbols, model numbers, specifications, and quantities for easy identification and ordering.

| Symbol | Part Name | Model / Part Number | Specification | Qty |
|---|---|---|---|---|
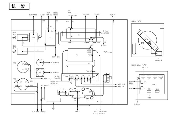
| T1 | Inverter transformer | C0111B00 | C0111B00 | 1 |
| L1 | DC reactor | C0111D00 | C0111D00 | 1 |
| C1,2 | Aluminum electrolytic capacitor | 4511-251 | W-W02212 | 2 |
| FM | Fan | 100-0104 | SF-200-10-4D | 1 |
| FM | Fan blade | W-W05048 | W-W05048(250) | 1 |
| FM | Starting capacitor | 300-0030 | CPMS45B205JWF | 1 |
| CC | Coupling coil | C0111C00 | C0111C00 | 1 |
| PS | Pressure switch | 4255-016 | W-W00032B | 1 |
| SOL | Solenoid valve | 300-0108 | DF2-B (DC24V) | 1 |
| R6,7 | Cement resistor | 4509-825 | 20SH15KQKA | 2 |
| PCB6 | Printed circuit board | P10307T | P10307T00 | 1 |
All parts listed above are 100% original OTC Daihen spare parts. Our company is an OTC-designated agent, ensuring you receive authentic components for your welding machine. Whether you need a single replacement or bulk orders, we are here to help.
📞 Contact Us for Orders / Inquiries
📱 Phone / WeChat / WhatsApp:
+86-180-9663-1656
📧 Email:
ahojotc@gmail.com
* For fastest response, please contact via phone or WhatsApp. You're also welcome to connect on WeChat to exchange knowledge and information about OTC welding machines.
Company: COMPANY:Authorized Distributor of OTC Daihen
Contact person: Contact:Mr.Fang
Mobile phone: Phone:+86-18096631656
Email address: Email:15305667776@163.com
Address: Add:Room 11-704, K Xijia, No. 502, Wangjiang West Road, Hefei, Anhui, China